企业简介
虹润概览
智能制造
测试中心
知识产权
国家标准
虹润资质
智能客服
虹润文化
领导关怀
虹润荣誉
社会贡献
人大履职
新闻动态
党建之家
产品中心
产品订制
大事记
经典案例
典型用户
常见问题
资料下载
人才理念
人才招聘
联系方式
物资招标
在线留言
试用申请
English
NHR-X33系列导轨式智能配电器
NHR-X32系列导轨式智能温度变送器
导轨式智能配电器
智能配电器
NHR-X33系列
虹润组态软件
虹润 HRStudio 组态软件采用开放式密钥,无点数限制;凡购买虹润带有 RS485/232、以太网通讯功能的仪表,单笔订单满 3800 元,即免费赠送HRStudio 组态软件及对应密钥;若您在组态过程中有任何疑问,我们提供专业远程协助。
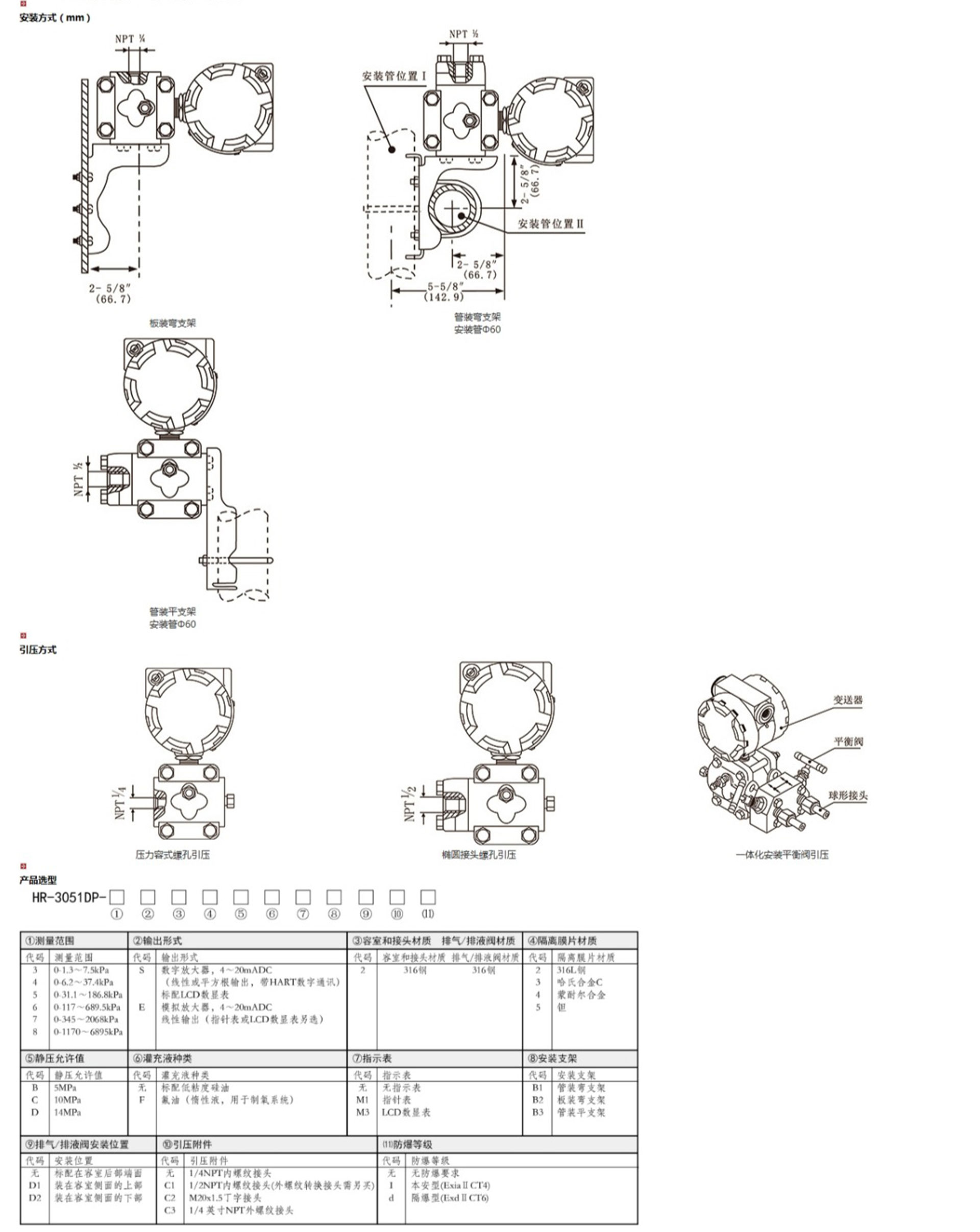
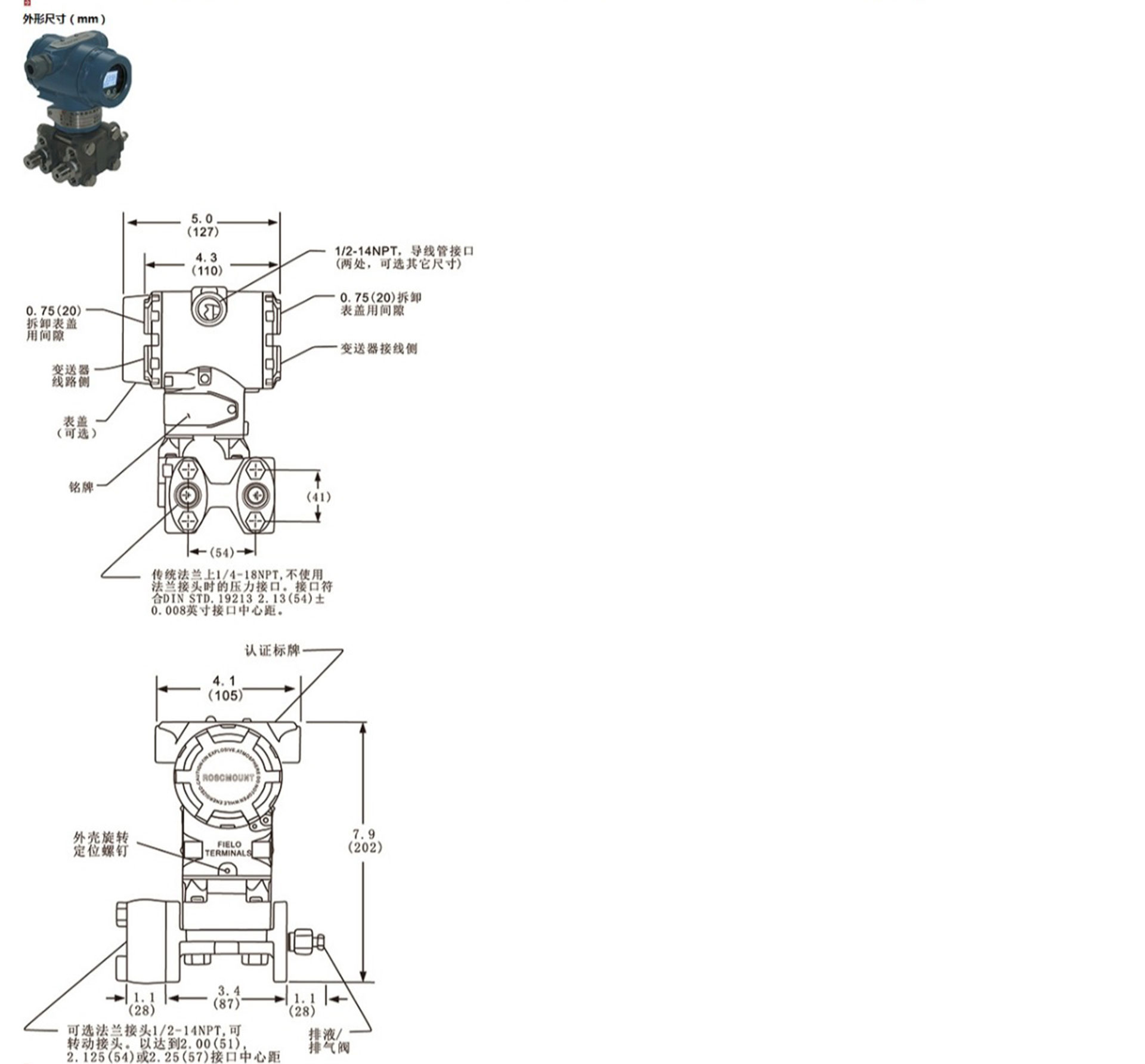
HR-3051DP差压变送器
HR-3051DP差压变送器主要用于测量液体、气体或蒸汽的差压、压力、液位和密度,然后将其转换成4~20mA.DC信号输出。
咨询电话 0599-7821390
商务邮箱 [email protected]
直接扫码
虹润微信客服
虹润官方微信
fjhongrun