企业简介
虹润概览
智能制造
知识产权
国家标准
虹润资质
典型用户
虹润文化
领导关怀
虹润荣誉
社会贡献
人大履职
新闻动态
主流媒体
员工之家
虹润党建
产品中心
产品订制
电视台•视频
大事记
经典案例
测试中心
常见问题
资料下载
智能客服
人才理念
人才招聘
联系方式
物资招标
在线留言
试用申请
English
NHR-X33系列导轨式智能配电器
NHR-X32系列导轨式智能温度变送器
导轨式智能配电器
智能配电器
NHR-X33系列
虹润组态软件
虹润 HRStudio 组态软件采用开放式密钥,无点数限制;凡购买虹润带有 RS485/232、以太网通讯功能的仪表,单笔订单满 3800 元,即免费赠送HRStudio 组态软件及对应密钥;若您在组态过程中有任何疑问,我们提供专业远程协助。
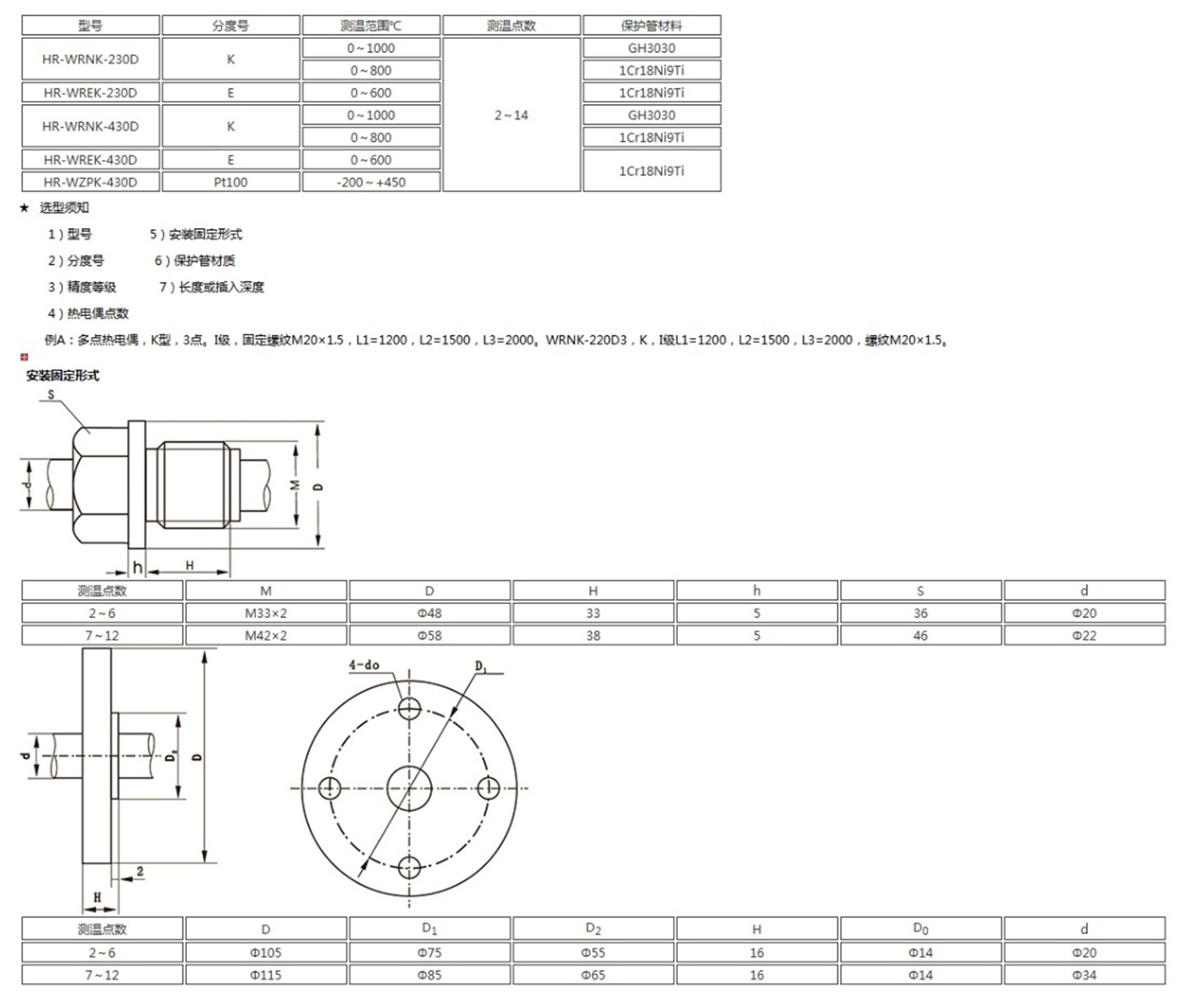
多点热电偶(阻)
多点热电偶(阻)适用于生产现场存在温度梯度不显著,须同时测量多个位置或单个位置的多处测量。广泛应用于大化肥合成塔、存储罐等装置中。
咨询电话 0599-7821390
商务邮箱 [email protected]
直接扫码
虹润微信客服
虹润官方微信
fjhongrun