新奥官方网站浏览器

虹润组态软件

虹润 HRStudio 组态软件采用开放式密钥,无点数限制;凡购买虹润带有 RS485/232、以太网通讯功能的仪表,单笔订单满 3800 元,即免费赠送HRStudio 组态软件及对应密钥;若您在组态过程中有任何疑问,我们提供专业远程协助。

NHR产品选型 OHR产品选型 HR产品选型
产品选型 数显仪表与温控器 无纸记录仪 嵌入式采集工作站 电量仪表与变送器 隔离器与温度变送器 过程校验仪 传感器与变送器 可编程控制器 水质在线监测仪 环境监测仪
隔离器与温度变送器 信号隔离器 温度变送器 配电器 导轨式人工智能温控器 频率转换器 开关量隔离器 隔离通讯转换器 隔离式安全栅 手持式编程器 线性电阻(磁翻板)变送器(圆卡) 智能温度变送器(圆卡) 隔离温度变送器(圆卡) HART温度变送器(圆卡) LCD温度变送器 一体化温度变送器
新奥官方网站浏览器
新奥官方网站浏览器
新奥官方网站浏览器
新奥官方网站浏览器

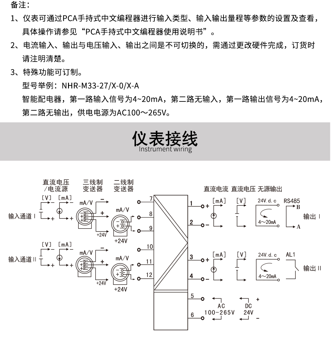
NHR-M33系列智能配电器

NHR-M33系列智能配电器给二、三线制变送器提供隔离的电源电压,将变送器产生的直流电压或电流信号,经本隔离器转换成所需的输出信号至控制系统。

  • 新奥官方网站浏览器
    新奥官方网站浏览器
  • 新奥官方网站浏览器
    新奥官方网站浏览器
  • 新奥官方网站浏览器
    新奥官方网站浏览器
  • 新奥官方网站浏览器
    新奥官方网站浏览器

新奥官方网站浏览器新奥官方网站浏览器新奥官方网站浏览器新奥官方网站浏览器新奥官方网站浏览器新奥官方网站浏览器新奥官方网站浏览器新奥官方网站浏览器新奥官方网站浏览器新奥官方网站浏览器新奥官方网站浏览器新奥官方网站浏览器新奥官方网站浏览器

咨询电话 0599-7821390

商务邮箱 [email protected]

直接扫码

虹润微信客服

新奥官方网站浏览器

虹润官方微信

fjhongrun

© 版权所有 新奥官方网站浏览器 闽ICP备05020565号-1