新奥官方网站浏览器

虹润组态软件

虹润 HRStudio 组态软件采用开放式密钥,无点数限制;凡购买虹润带有 RS485/232、以太网通讯功能的仪表,单笔订单满 3800 元,即免费赠送HRStudio 组态软件及对应密钥;若您在组态过程中有任何疑问,我们提供专业远程协助。

NHR产品选型 OHR产品选型 HR产品选型
产品选型 数显仪表与温控器 无纸记录仪 嵌入式采集工作站 电量仪表与变送器 隔离器与温度变送器 过程校验仪 传感器与变送器 可编程控制器 水质在线监测仪 环境监测仪表
数显仪表与温控器 显示控制仪 模糊PID温控器 人工智能调节仪 手动操作器 流量积算仪 数字显示容积仪 多路巡检仪 导轨式数显表 导轨式温控器 导轨式数显温度变送器 导轨无纸记录仪 导轨流量积算仪 导轨多路温控器 导轨多路巡检仪 壁挂式数显表 壁挂式温控器 闪光报警器 移相触发器 固态继电器
新奥官方网站浏览器

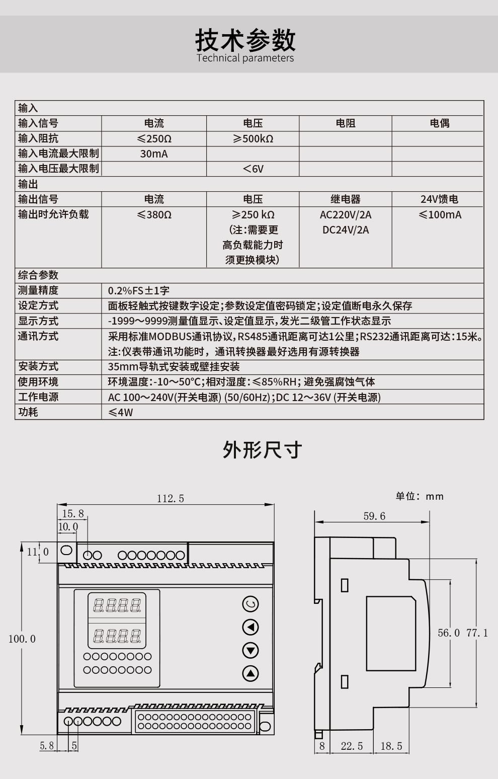
OHR-DN80导轨多路巡检仪

OHR-DN80系列导轨式8回路巡检仪采用了表面贴装工艺,全自动贴片机生产,具有很强的抗干扰能力。本仪表 支持多种信号输入,可与各类传感器、变送器配套使用,实现对温度、压力、液位、速度、力等物理量的测量显 示,可巡回检测8路测量信号。

新奥官方网站浏览器新奥官方网站浏览器新奥官方网站浏览器新奥官方网站浏览器新奥官方网站浏览器新奥官方网站浏览器新奥官方网站浏览器新奥官方网站浏览器新奥官方网站浏览器新奥官方网站浏览器新奥官方网站浏览器新奥官方网站浏览器新奥官方网站浏览器

咨询电话 0599-7821390

商务邮箱 [email protected]

直接扫码

虹润微信客服

新奥官方网站浏览器

虹润官方微信

fjhongrun

© 版权所有 新奥官方网站浏览器 闽ICP备05020565号-1