新奥官方网站浏览器

虹润组态软件

虹润 HRStudio 组态软件采用开放式密钥,无点数限制;凡购买虹润带有 RS485/232、以太网通讯功能的仪表,单笔订单满 3800 元,即免费赠送HRStudio 组态软件及对应密钥;若您在组态过程中有任何疑问,我们提供专业远程协助。

NHR产品选型 OHR产品选型 HR产品选型
产品选型 数显仪表与温控器 无纸记录仪 嵌入式采集工作站 电量仪表与变送器 隔离器与温度变送器 过程校验仪 传感器与变送器 可编程控制器 水质在线监测仪 环境监测仪表
电量仪表与变送器 电压/电流表 电能质量分析记录仪 交流电压电流表 单相电量表 三相综合电量表 交直流电流电压变送器 电量变送器 漏电流变送器 电压电流越限报警器 无功补偿控制器 相序监控继电器 频率与转速表 定时器 计数器 计时器 电厂专用转速表
新奥官方网站浏览器

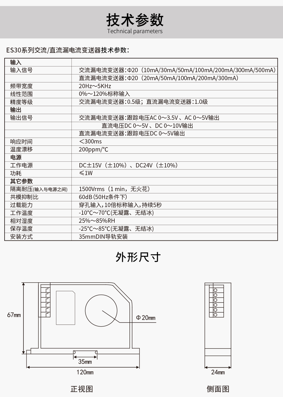
OHR-ES30系列交流/直流漏电流变送器

OHR-ES30系列交流/直流漏电流变送器对电网和电路中的交直流电流信号进行实时测量,具有高精度、高隔离、 低漂移、低功耗、体积小、响应快、抗干扰能力强等特点。本产品采用标准DIN35mm导轨安装,端子接线,安装方 便,适用于测量漏电监测系统,线路检测,电流差值测量,绝缘监测等场合。

新奥官方网站浏览器新奥官方网站浏览器新奥官方网站浏览器新奥官方网站浏览器新奥官方网站浏览器新奥官方网站浏览器新奥官方网站浏览器新奥官方网站浏览器

咨询电话 0599-7821390

商务邮箱 [email protected]

直接扫码

虹润微信客服

新奥官方网站浏览器

虹润官方微信

fjhongrun

© 版权所有 新奥官方网站浏览器 闽ICP备05020565号-1