新奥官方网站浏览器

虹润组态软件

虹润 HRStudio 组态软件采用开放式密钥,无点数限制;凡购买虹润带有 RS485/232、以太网通讯功能的仪表,单笔订单满 3800 元,即免费赠送HRStudio 组态软件及对应密钥;若您在组态过程中有任何疑问,我们提供专业远程协助。

NHR产品选型 OHR产品选型 HR产品选型
产品选型 数显仪表与温控器 无纸记录仪 嵌入式采集工作站 电量仪表与变送器 隔离器与温度变送器 过程校验仪 传感器与变送器 可编程控制器 水质在线监测仪 环境监测仪表
水质在线监测仪 导轨式水质参数变送器 水质参数记录仪 水质参数在线监测仪
新奥官方网站浏览器

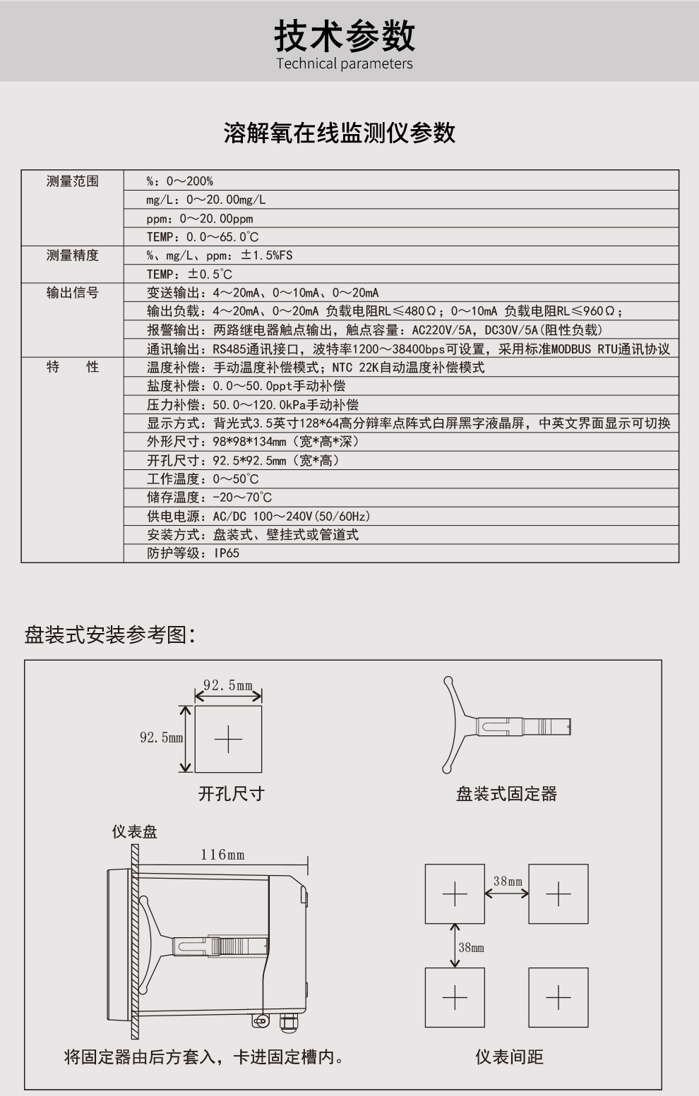
OHR-DO10A系列溶解氧在线监测仪

OHR-DO10A系列溶解氧在线监测仪是一款智能在线化学分析仪器,采用膜法测量溶解氧。控制器可连续监测数据通 过变送输出实现远传监控,也可以连接RS485接口,通过MODBUS-RTU协议方便联入上位机实现组网监控。广泛应用 于火电、化工化肥、冶金、环保、制药、生化、食品和自来水等溶液中溶解氧和温度的连续监测。

新奥官方网站浏览器新奥官方网站浏览器新奥官方网站浏览器新奥官方网站浏览器新奥官方网站浏览器新奥官方网站浏览器新奥官方网站浏览器新奥官方网站浏览器新奥官方网站浏览器新奥官方网站浏览器新奥官方网站浏览器新奥官方网站浏览器新奥官方网站浏览器新奥官方网站浏览器新奥官方网站浏览器

咨询电话 0599-7821390

商务邮箱 [email protected]

直接扫码

虹润微信客服

新奥官方网站浏览器

虹润官方微信

fjhongrun

© 版权所有 新奥官方网站浏览器 闽ICP备05020565号-1