新奥官方网站浏览器

虹润组态软件

虹润 HRStudio 组态软件采用开放式密钥,无点数限制;凡购买虹润带有 RS485/232、以太网通讯功能的仪表,单笔订单满 3800 元,即免费赠送HRStudio 组态软件及对应密钥;若您在组态过程中有任何疑问,我们提供专业远程协助。

NHR产品选型 OHR产品选型 HR产品选型
产品选型 数显仪表与温控器 无纸记录仪 嵌入式采集工作站 电量仪表与变送器 隔离器与温度变送器 过程校验仪 传感器与变送器 可编程控制器 水质在线监测仪 环境监测仪
水质在线监测仪 导轨式水质参数变送器 水质参数记录仪 水质参数在线监测仪
新奥官方网站浏览器
新奥官方网站浏览器
新奥官方网站浏览器
新奥官方网站浏览器

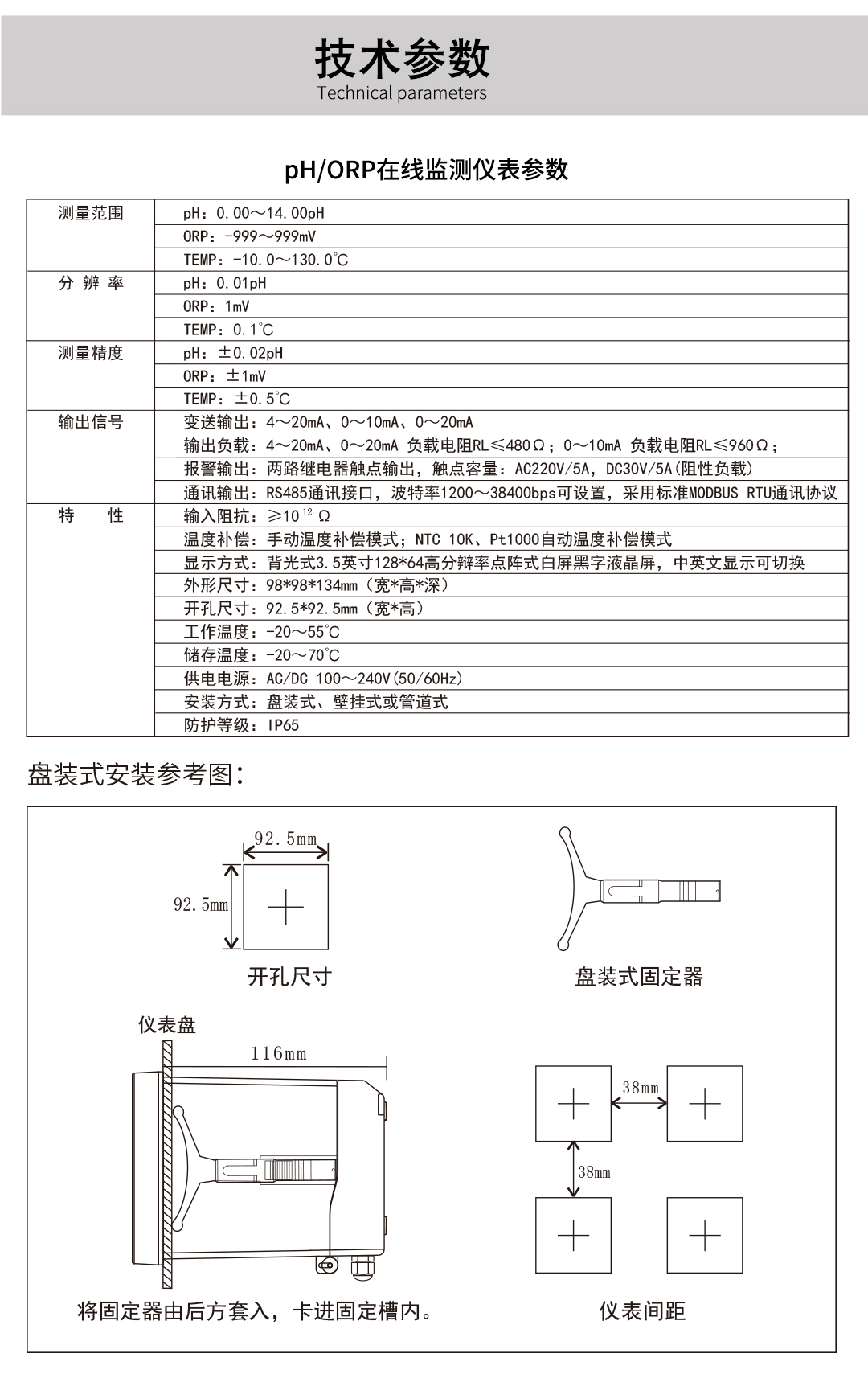
NHR-PH10A系列pH/ORP在线监测仪

NHR-PH10A系列pH/ORP在线监测仪是一款智能在线化学分析仪器(酸度计、pH计、pH酸度计、酸度计phs-25),具备一路RS485通讯输出、一路模拟信号输出和两路继电器报警输出。广 泛应用于环保水处理、纯净水、循环水、锅炉水等系统以及电子、电镀、印染、化学、食品、制药等制程 领域。

  • 新奥官方网站浏览器
    新奥官方网站浏览器
  • 新奥官方网站浏览器
    新奥官方网站浏览器
  • 新奥官方网站浏览器
    新奥官方网站浏览器
  • 新奥官方网站浏览器
    新奥官方网站浏览器

新奥官方网站浏览器新奥官方网站浏览器新奥官方网站浏览器新奥官方网站浏览器新奥官方网站浏览器新奥官方网站浏览器新奥官方网站浏览器新奥官方网站浏览器新奥官方网站浏览器新奥官方网站浏览器新奥官方网站浏览器新奥官方网站浏览器新奥官方网站浏览器新奥官方网站浏览器新奥官方网站浏览器新奥官方网站浏览器新奥官方网站浏览器新奥官方网站浏览器新奥官方网站浏览器新奥官方网站浏览器新奥官方网站浏览器

咨询电话 0599-7821390

商务邮箱 [email protected]

直接扫码

虹润微信客服

新奥官方网站浏览器

虹润官方微信

fjhongrun

© 版权所有 新奥官方网站浏览器 闽ICP备05020565号-1