企业简介
虹润概览
智能制造
测试中心
知识产权
国家标准
虹润资质
智能客服
虹润文化
领导关怀
虹润荣誉
社会贡献
人大履职
新闻动态
党建之家
产品中心
产品订制
大事记
经典案例
典型用户
常见问题
资料下载
人才理念
人才招聘
联系方式
物资招标
在线留言
试用申请
English
NHR-X33系列导轨式智能配电器
NHR-X32系列导轨式智能温度变送器
导轨式智能配电器
智能配电器
NHR-X33系列
新闻资讯
Group News
集团新闻
发布者:虹润集团
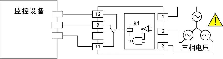
可实现对三相网络的相序故障和缺相故障监控
产品概述:
虹润三相相序监控继电器可实现对三相网络的相序故障和缺相故障的监控。该模块具有一路单刀双掷继电器输出,电源从输入端口获取。输入和输出两隔离。
产品特点:
•单通道。
•三相交流电压输入。
•继电器输出。
•输入、输出两隔离。
•模块化设计,体积小,功耗低。
•插拔式端子,便于安装、维护。
•标准的35mmDIN导轨卡式安装。
产品接线图:
主持起草1项国家标准发明专利2项
咨询电话 0599-7821390
商务邮箱 [email protected]
直接扫码
虹润微信客服
虹润官方微信
fjhongrun