新奥官方网站浏览器

虹润组态软件

虹润 HRStudio 组态软件采用开放式密钥,无点数限制;凡购买虹润带有 RS485/232、以太网通讯功能的仪表,单笔订单满 3800 元,即免费赠送HRStudio 组态软件及对应密钥;若您在组态过程中有任何疑问,我们提供专业远程协助。

NHR产品选型 OHR产品选型 HR产品选型
产品选型 数显仪表与温控器 无纸记录仪 嵌入式采集工作站 隔离器与温度变送器 环境监测仪 水质在线监测仪 电量仪表与变送器 可编程控制器 过程校验仪 传感器与变送器
隔离器与温度变送器 信号隔离器 配电器 导轨式人工智能温控器 温度变送器 频率转换器 开关量隔离器 隔离通讯转换器 隔离式安全栅 手持式编程器 线性电阻(磁翻板)变送器(圆卡) 智能温度变送器(圆卡) 隔离温度变送器(圆卡) HART温度变送器(圆卡) LCD温度变送器 一体化温度变送器
新奥官方网站浏览器
新奥官方网站浏览器
新奥官方网站浏览器
新奥官方网站浏览器

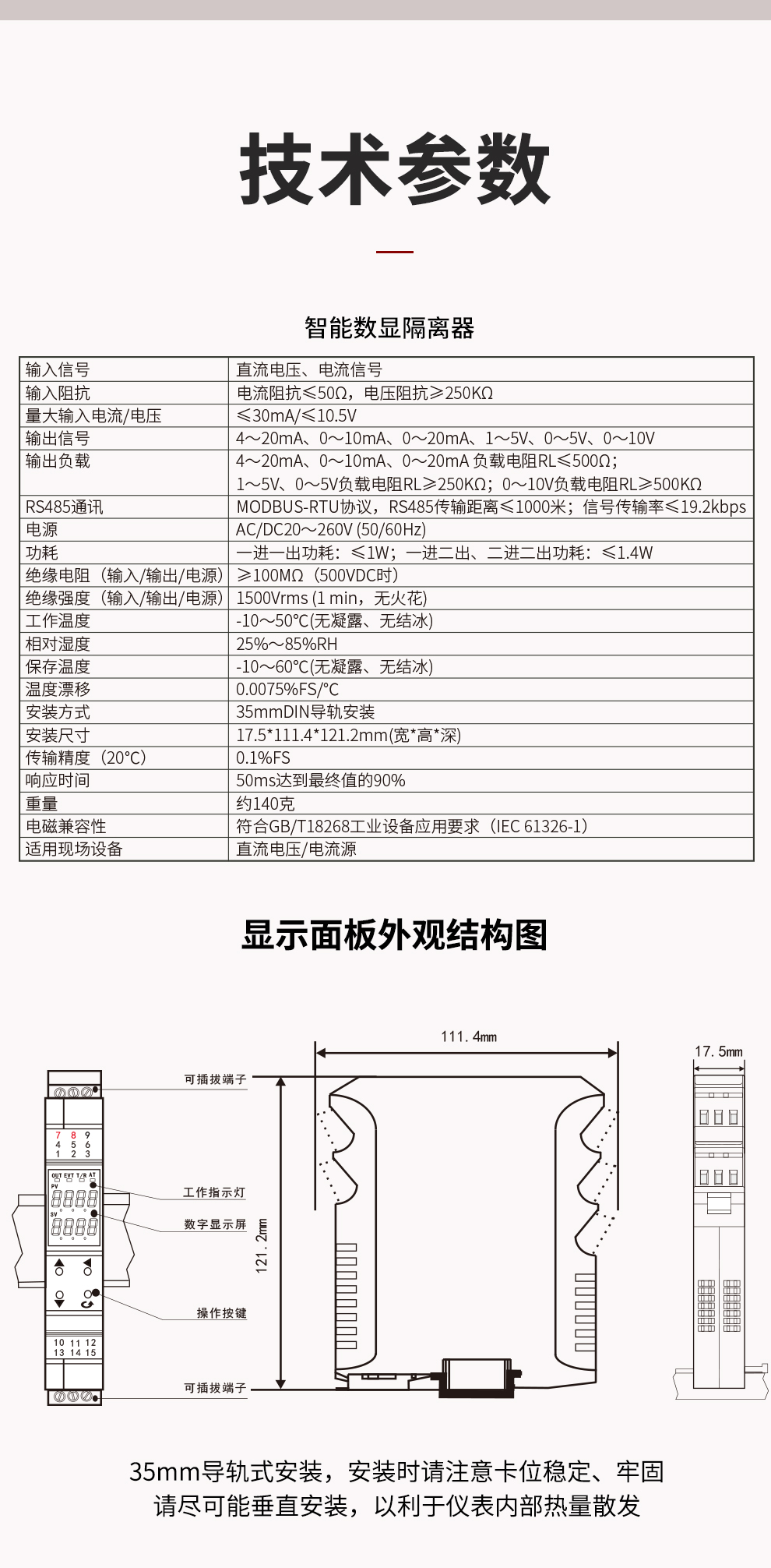
NHR-X31系列导轨式智能隔离器

虹润公司是专业生产隔离器的国家专精特新“小巨人”企业。生产的导轨式智能隔离器 ,具有高清显示单元,参数可设置,宽电源供电,响应快,带RS485通讯等特点。产品获得信号隔离器、一种二端子模块、无源信号隔离器等3项国家发明专利,主持起草现场设备工具(FDT)接口规范、工业过程测量和控制系统用隔离式安全栅、工业过程测量和控制系统用配电器等3项国家标准,以及通信系统多通道数据采集控制终端规范军用标准,参与国际5G标准制定,取得智能隔离器等2项相关软件著作权。产品广泛应用于电力、石化,冶金、制药、水处理、机械配套等各种工业现场。

  • 新奥官方网站浏览器
    新奥官方网站浏览器
  • 新奥官方网站浏览器
    新奥官方网站浏览器
  • 新奥官方网站浏览器
    新奥官方网站浏览器
  • 新奥官方网站浏览器
    新奥官方网站浏览器

新奥官方网站浏览器新奥官方网站浏览器新奥官方网站浏览器新奥官方网站浏览器新奥官方网站浏览器新奥官方网站浏览器新奥官方网站浏览器新奥官方网站浏览器新奥官方网站浏览器新奥官方网站浏览器新奥官方网站浏览器新奥官方网站浏览器新奥官方网站浏览器新奥官方网站浏览器新奥官方网站浏览器

联系我们

咨询电话 0599-7821390

商务邮箱 [email protected]

直接扫码

虹润微信客服

新奥官方网站浏览器

虹润官方微信

fjhongrun

© 版权所有 新奥官方网站浏览器 闽ICP备05020565号-1