新奥官方网站浏览器

虹润组态软件

虹润 HRStudio 组态软件采用开放式密钥,无点数限制;凡购买虹润带有 RS485/232、以太网通讯功能的仪表,单笔订单满 3800 元,即免费赠送HRStudio 组态软件及对应密钥;若您在组态过程中有任何疑问,我们提供专业远程协助。

NHR产品选型 OHR产品选型 HR产品选型
产品选型 数显仪表与温控器 无纸记录仪 嵌入式采集工作站 隔离器与温度变送器 环境监测仪 水质在线监测仪 电量仪表与变送器 可编程控制器 过程校验仪 传感器与变送器
水质在线监测仪 导轨式水质参数变送器 水质参数记录仪 水质参数在线监测仪
新奥官方网站浏览器
新奥官方网站浏览器
新奥官方网站浏览器
新奥官方网站浏览器

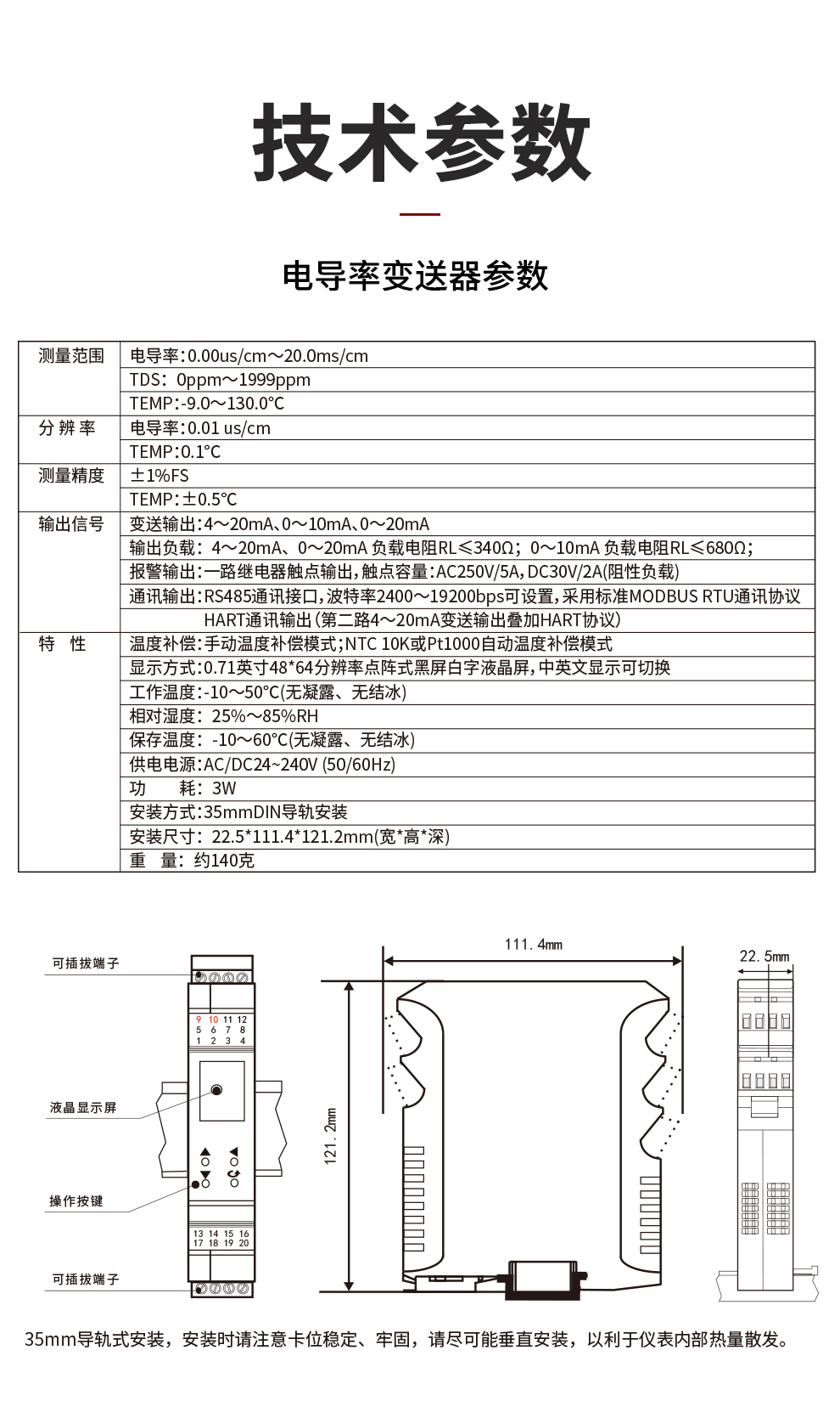
NHR-EC30系列电导率变送器

虹润公司是专业生产水质分析仪的国家专精特新“小巨人”企业。生产的导轨式电导率变送器,具有测量稳定不跳字,液晶显示按键操控,变送输出精准,宽范围电源供电,RS485或HART通讯等特点。产品获得一种信号发生装置、智能化控制器等2项国家发明专利;主持起草现场设备集成等5项智能制造国家标准,以及现场设备工具(FDT)接口规范、工业过程控制系统用模拟输入两位或多位输出仪表、过程分析技术系统等3项国家标准;参与国际5G标准制定,取得导轨电导率变送器等3项相关软件著作权。产品广泛应用于实验室、水处理、环境监测、制药、食品、农业、工业流程控制等诸多领域。

  • 新奥官方网站浏览器
    新奥官方网站浏览器
  • 新奥官方网站浏览器
    新奥官方网站浏览器
  • 新奥官方网站浏览器
    新奥官方网站浏览器
  • 新奥官方网站浏览器
    新奥官方网站浏览器

新奥官方网站浏览器新奥官方网站浏览器新奥官方网站浏览器新奥官方网站浏览器新奥官方网站浏览器新奥官方网站浏览器新奥官方网站浏览器新奥官方网站浏览器新奥官方网站浏览器新奥官方网站浏览器新奥官方网站浏览器新奥官方网站浏览器新奥官方网站浏览器新奥官方网站浏览器

联系我们

咨询电话 0599-7821390

商务邮箱 [email protected]

直接扫码

虹润微信客服

新奥官方网站浏览器

虹润官方微信

fjhongrun

© 版权所有 新奥官方网站浏览器 闽ICP备05020565号-1