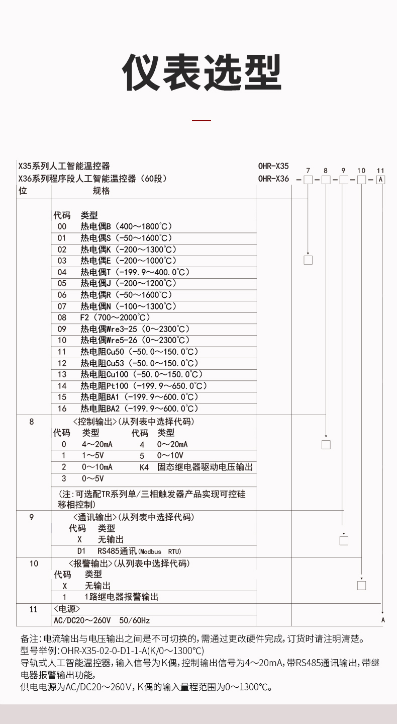
OHR-X35系列导轨式人工智能温控器
虹润公司是专业生产温控器的国家专精特新“小巨人”企业。生产的导轨式人工智能温控器,具有真正人工智能算式,无需人工整定参数,控制精度可达±0.1°C,高抗干扰,带485通讯输出等特点。产品获得人工智能调节器、智能化控制器、模糊PID控制仪及控制方法、移相触发控制器、阀门自动手动无扰动操作控制方法及装置等5项国家发明专利,主持起草智能温度仪表通用技术条件、工业过程控制系统用模拟输入两位或多位输出仪表、工业过程测量和控制系统用智能调节器等3项国家标准,以及通信系统多通道数据采集控制终端规范军用标准,参与国际5G标准制定,取得导轨式人工智能控制器等3项相关软件著作权。产品广泛应用于电力、石化,冶金、制药、食品等几乎所有工业现场,实现精准控温,保障生产安全与质量。















