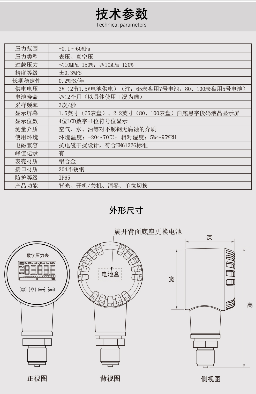
OHR-DP10系列智能数字压力表
虹润公司是专业生产数显压力表的国家专精特新“小巨人”企业。生产的智能数字压力表,具有气体液体通用,测量精度高,自动温度补偿,响应速度快,电池供电低功耗漂移小等特点。产品获得一种数字显示低功耗压力表以及一种信号发生装置等2项国家发明专利,主持起草工业过程控制系统用模拟输入两位或多位输出仪表、工业过程测量和控制系统用压力/差压变送器等2项国家标准,通信系统多通道数据采集控制终端规范军用标准,以及现场设备集成等5项智能制造国家标准,参与国际5G标准制定,取得数显压力表等2项相关软件著作权。产品广泛石化、冶金、电力、制药、食品、航空航天、工业循环水系统等诸多领域。












