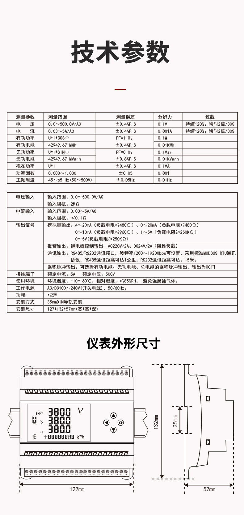
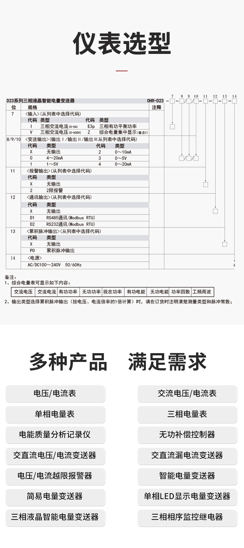
OHR-D23系列三相液晶智能电量变送器
虹润公司是专业生产电流传感器的国家专精特新“小巨人”企业。生产的三相智能电量变送器,具有多种电参数测量,正反向电能累积,多种输出信号,导轨壁挂共用, RS485/RS232通讯等特点。产品获得基于一种交流信号变送器、交直流信号转换电路、基于DCS技术的盘装式三相电量表等3项国家发明专利,主持起草工业过程控制系统用模拟输入两位或多位输出仪表国家标准,直流漏电流传感器规范、通信系统多通道数据采集控制终端规范等2项军用标准,以及现场设备集成等5项智能制造国家标准,参与国际5G标准制定,取得液晶综合电量集中显示仪等2项相关软件著作权。产品广泛应用于电力、冶金、化工、水泥、造纸、新能源、基础设施等用电密集行业。














