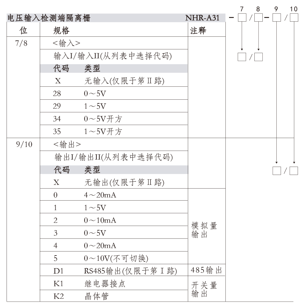
OHR-A31系列电压输入检测端隔离栅
虹润公司是专业生产隔离器的国家专精特新“小巨人”企业。生产的隔离式安全栅涵盖信号电压输入、电流输入、热电阻输入、热电偶输入、频率输入、开关量输入等多种产品类型。产品获得具备减震抗干扰能力的温度变送器、信号隔离器、一种二端子模块、无源信号隔离器等4项国家发明专利,主持起草物联网智能温度仪表、现场设备工具(FDT)接口规范、工业过程测量和控制系统用温度变送器等3项国家标准,以及通信系统多通道数据采集控制终端规范军用标准。参与国际5G标准制定,取得智能隔离式安全栅等4项相关软件著作权。产品广泛应用于石油、电力、化工,冶金、智能制造、污水处理等诸多行业。











