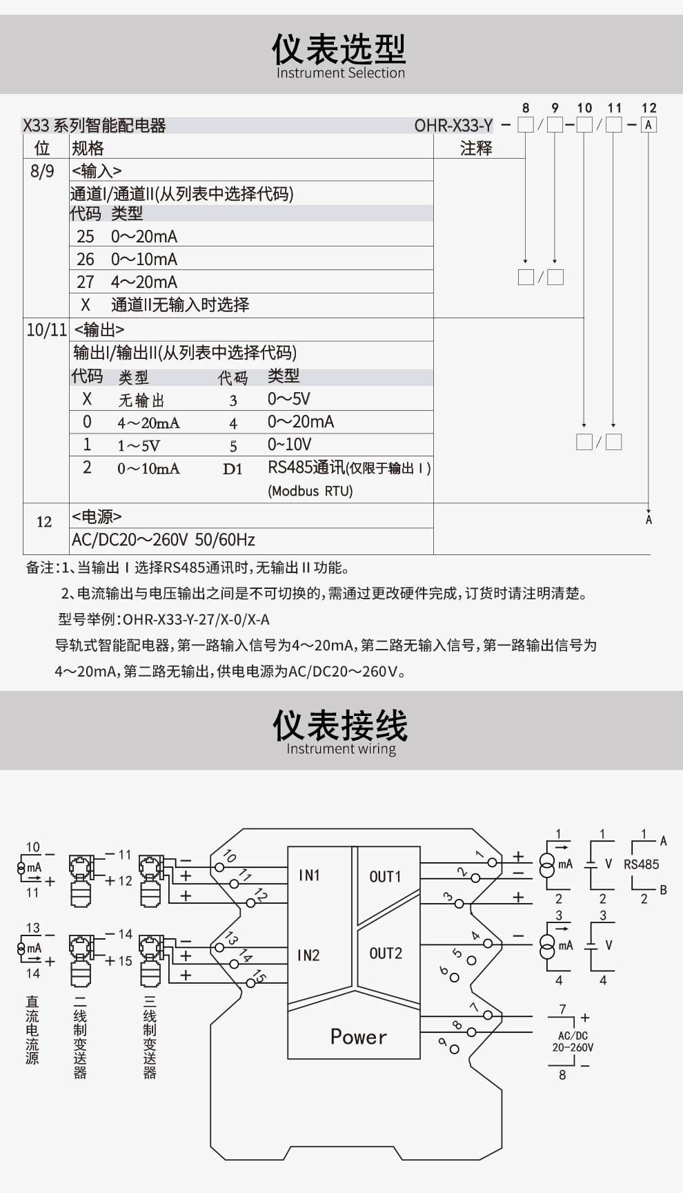
OHR-X33系列导轨式智能配电器
虹润公司是专业生产隔离器的国家专精特新“小巨人”企业。生产的导轨式智能配电器,具有配接二三线制变送器,输入输出电源三隔离,响应时间快,传输精度0.1%FS,支持485通讯输出等特点。产品获得信号隔离器、一种二端子模块、无源信号隔离器等3项国家发明专利,主持起草现场设备工具(FDT)接口规范、工业过程测量和控制系统用隔离式安全栅、工业过程测量和控制系统用配电器等3项国家标准,以及通信系统多通道数据采集控制终端规范军用标准。参与国际5G标准制定。,取得智能隔离器等2项相关软件著作权。产品广泛应用于石油、化工,冶金、电力、食品、光伏能源、污水处理等需要电隔离的工业自动化控制系统。













