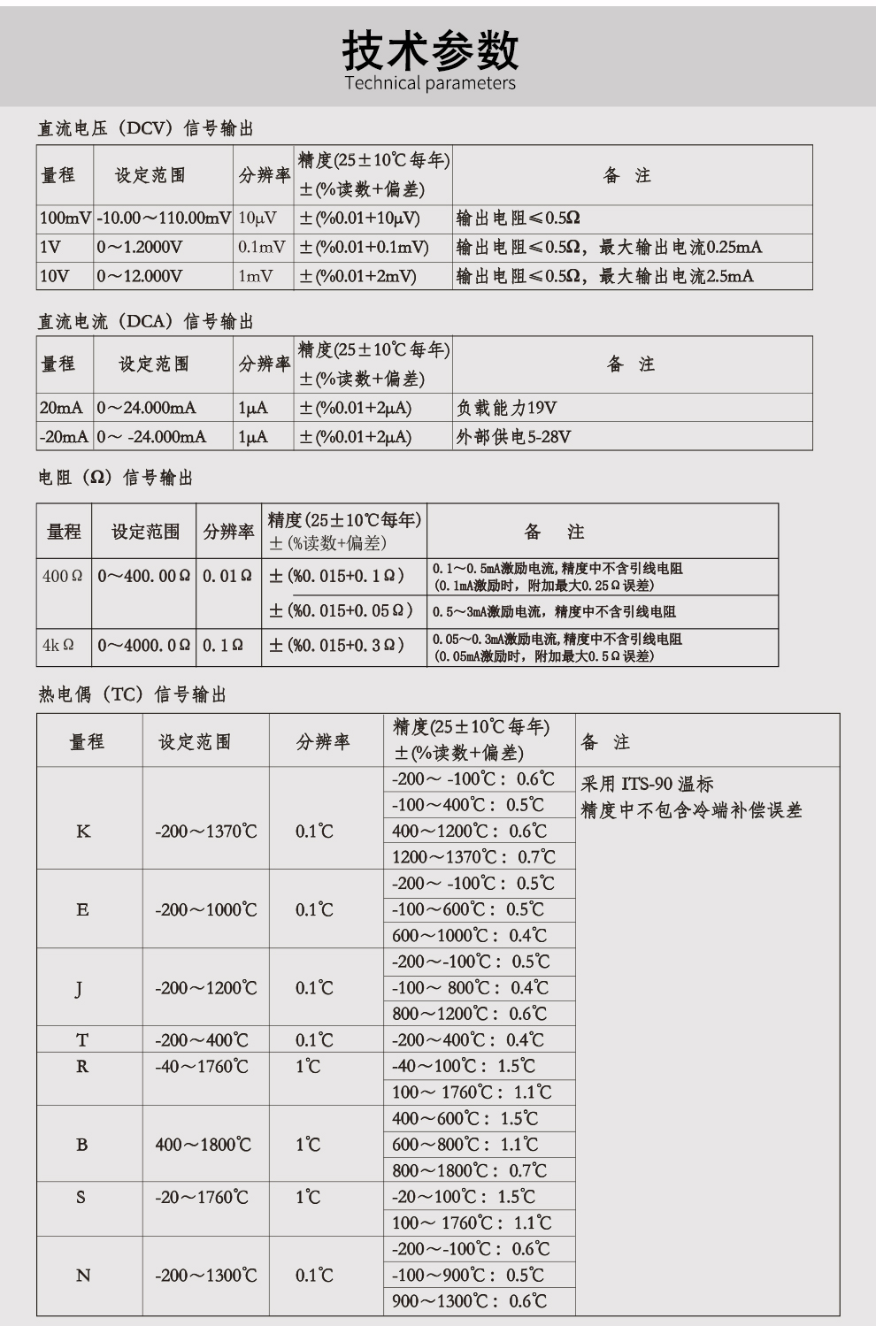
OHR-B00信号发生器
虹润公司是专业生产信号发生器的国家专精特新“小巨人”企业。生产的信号发生器,具有手持便携式,多种类型信号输出,精度达0.01%FS,大容量锂电池供电,RS485/RS232通讯接口等特点。产品获得一种信号发生装置、过程校验仪、过程校验仪控制电路等3项国家发明专利,主持起草现场设备集成等5项智能制造国家标准,工业过程校准器与工业过程温度校准器等2项国家标准,以及通信系统多通道数据采集控制终端规范军用标准,参与国际5G标准制定,取得信号发生器等2项相关软件著作权。产品广泛应用于工业自动化生产线、实验室、化工、冶金、制药等行业过程控制中,现场设备的调试与维护。













