新奥官方网站浏览器

虹润组态软件

虹润 HRStudio 组态软件采用开放式密钥,无点数限制;凡购买虹润带有 RS485/232、以太网通讯功能的仪表,单笔订单满 3800 元,即免费赠送HRStudio 组态软件及对应密钥;若您在组态过程中有任何疑问,我们提供专业远程协助。

NHR产品选型 OHR产品选型 HR产品选型
产品选型 数显仪表与温控器 无纸记录仪 嵌入式采集工作站 隔离器与温度变送器 环境监测仪 水质在线监测仪 电量仪表与变送器 可编程控制器 过程校验仪 传感器与变送器
电量仪表与变送器 漏电流变送器 电压/电流表 相序监控继电器 电压电流越限报警器 电能质量分析记录仪 频率与转速表 交流电压电流表 定时器 无功补偿控制器 计时器 单相电量表 计数器 三相综合电量表 电厂专用转速表 交直流电流电压变送器 电量变送器
新奥官方网站浏览器
新奥官方网站浏览器
新奥官方网站浏览器
新奥官方网站浏览器

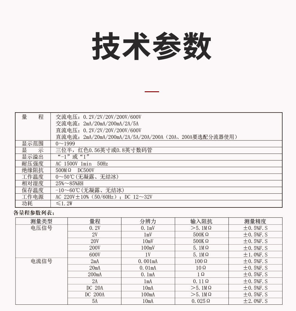
NHR-D300系列电压/电流表

虹润公司是专业生产数字电压表的国家专精特新“小巨人”企业。生产的电压/电流表,具有大屏LED显示,交直流电压/电流输入,免设置易接线,性价比高等特点。产品获得一种交流信号变送器、交直流信号转换电路、基于DCS技术的盘装式三相电量表等3项国家发明专利,主持起草现场设备集成等5项智能制造国家标准,物联网电流变送器规范、物联网总体技术智能传感器特性与分类等2项国家标准,以及直流漏电流传感器规范、通信系统多通道数据采集控制终端规范等2项军用标准,参与国际5G标准制定。产品广泛应用于电力系统、工业制造、自动化设备、计量检测等各种工业领域。

  • 新奥官方网站浏览器
    新奥官方网站浏览器
  • 新奥官方网站浏览器
    新奥官方网站浏览器
  • 新奥官方网站浏览器
    新奥官方网站浏览器
  • 新奥官方网站浏览器
    新奥官方网站浏览器

新奥官方网站浏览器新奥官方网站浏览器新奥官方网站浏览器新奥官方网站浏览器新奥官方网站浏览器新奥官方网站浏览器新奥官方网站浏览器新奥官方网站浏览器新奥官方网站浏览器新奥官方网站浏览器新奥官方网站浏览器新奥官方网站浏览器

联系我们

咨询电话 0599-7821390

商务邮箱 [email protected]

直接扫码

虹润微信客服

新奥官方网站浏览器

虹润官方微信

fjhongrun

© 版权所有 新奥官方网站浏览器 闽ICP备05020565号-1